咨询热线0755-26993877
光子集成电路(PIC)是一种IC,它使用光作为芯片不同部分之间的主要通信方式。PIC将光子学和电子学相结合,以实现全新类型的系统,例如光通信、成像、传感和高速计算。PIC与其他IC类似,因为它们具有不...

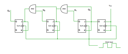
异步计数器也称为串行计数器,因为构成计数器的触发器是串联连接的,输入时钟脉冲提供给连接中的第一个触发器。第一个触发器的输出充当正向下一个相邻触发器的输入。以这种方式,时钟输入通过计数器波动。因此,这些...

同步伺服电机和异步伺服电机传输都是串行数据传输技术的类型,其中数据基于用于同步伺服电机的时钟脉冲在发送方和接收方之间传输。阅读本文以了解有关同步伺服电机和异步伺服电机传输的更多信息以及它们之间的区别。

数字电位器中使用的IC表示为一种集成电路,专门用于从其他数字设备读取数据或向其他数字设备发送数据。在电位器电路中起着分压器的作用。

研究数字电位器的工作原理。因为它在电路中只有一个功能,就是根据给定的条件控制电流或电压,所以结构非常简单。电子电位器模块包括一系列电阻、存储单元和控制及接口单元。 数字电位器的工作原理: 1.串联电阻...

数字电位器并不是普遍创造或制造的。数字电位器的设计通常取决于所安装的电位器类型。以下是您应该了解的数字电位器IC的主要类型:

无刷直流电机的主要优势在于其结构特点。电子换向提供改进的电流切换。它会增加扭矩,在很宽的范围内进行有效的速度控制,从而提高电机的性能。

定义:(1)以同步速度运行的交流电机称为同步电机。(2)以低于同步速度的速度运行的交流电机类型称为异步伺服电机。工作原理:(1)同步电机的工作原理是基于定子和转子磁场之间的磁互锁原理。(2)异步伺服电...

速度传感器也称为车速传感器(VSS)、轮速传感器或变速箱速度传感器,这是构成车辆变速箱系统一部分的关键电子元件。它的主要功能是通过测量车轮、链轮和车轴的转动来确定车辆的巡航速度。然后它将此信息中继到车...

电位器可以用来控制电机的速度,让来看看一些电路配置。使用电位器控制速度有两种典型方法;单独使用电位器,以及将电位器与Arduino一起使用。
