咨询热线0755-26993877
气缸压力表型号有哪些,不同压力表价格如何? 压力表在我们生活中是非常常见的,压力表所采用的技术是利用弹性敏感元件的,可以有效的测量出环境的压力仪表。测出的数值也是非常准的。所以压力表在我们生活中被...

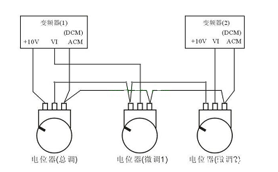
电位器(或微调电阻等等)常规引脚(仅举例说有3个引脚的电位器),两头的电阻值版是固定的,中间引脚对权任何一端引脚的电阻值是可变的;他等效于从中间引脚起把电位器分成两个串联的电阻,串联总阻值是固定的;...

烧损原因一般有:1、线圈质量问题;2、关断过压击穿;3、电源电压过高;4、反复冲击,频繁通断产生过流或过热;5、安装不稳,机械震动过大导致线圈磨损断线短路.反电动势造成过压击穿线圈的可能性是很大的,...

1、带有传统引脚(例如带有三引脚的电位器)的电位器(或微调电阻器等),两端的电阻是回固定的,中间答引脚的电阻是可变的; 2、相当于将电位器从中间引脚分成两个串联的电阻,串联的总电阻值是固定的; ...

测高压的压力表,对表本身以及安装的要求: 1、仪表应垂直于水平面安装内在易观察容和检修的地方;普通压力表安装高度与一般人视线平齐,安装高度为1.5~1.6m,高压压力表的安装位置应高于一般人头部,...

隔膜压力表有两部分组成:一部分为表头(弹簧管压力表),另一部分为专隔离体(化学密封,属膜片焊接的载体)。 膜片检测到压力后,通过隔离体和弹簧管中间的填充油将压力传导个弹簧管,压力在弹簧管压力表上显...

压力表量程是什么?压力表测量多大量程最合适? 0.25mp,0.6mp,1.0mp,1.6mp,2.0mp,2.5mp等等。为了保证弹性元件能在弹性变形的安全范围内可靠地工作,压力表量程的内选择不...

如何选择压力表,压力表精度等级的选择? 一、下列测量介质应选用专用压力表: (1)气氨、液氨:氨压力表、真空表、压力真空表; (2)氧气:氧气压力表; (3)氢气:氢气压力表; (4)氯气...

什么是压力表,压力表量程的选择问题? 1、单位及标度(刻度)压力仪表一律使用法定计量单位。即:帕(Pa)、千帕(kPa)和兆(MPa)o对于版涉外权设计项目,可以采用国际通用标准或相应的国家标准。...

电子开关电位器要区分机械步进电位器和数字电位器,机械步进电位器是开关加电阻;数字电位版器(开关电权位器)用电子开关代替机械开关,分集成的还是分立搭的,用电子开关(如4052)和电子阵列即可组成电位器...
