
DLF系列手动位移滑台提供高精度、稳定可靠的直线位移解决方案,适用于实验室、精密加工、光学调整及自动化设备定位等场景。该系列包含三种型号:DLF01(铜套导向+千分尺进给)、DLF11(轴孔配套+360°手动调节)、DLF21(轴孔配套+千分尺进给+方型台面),可满足不同场景对精度、调节方式及负载承载的需求。

一、产品特点
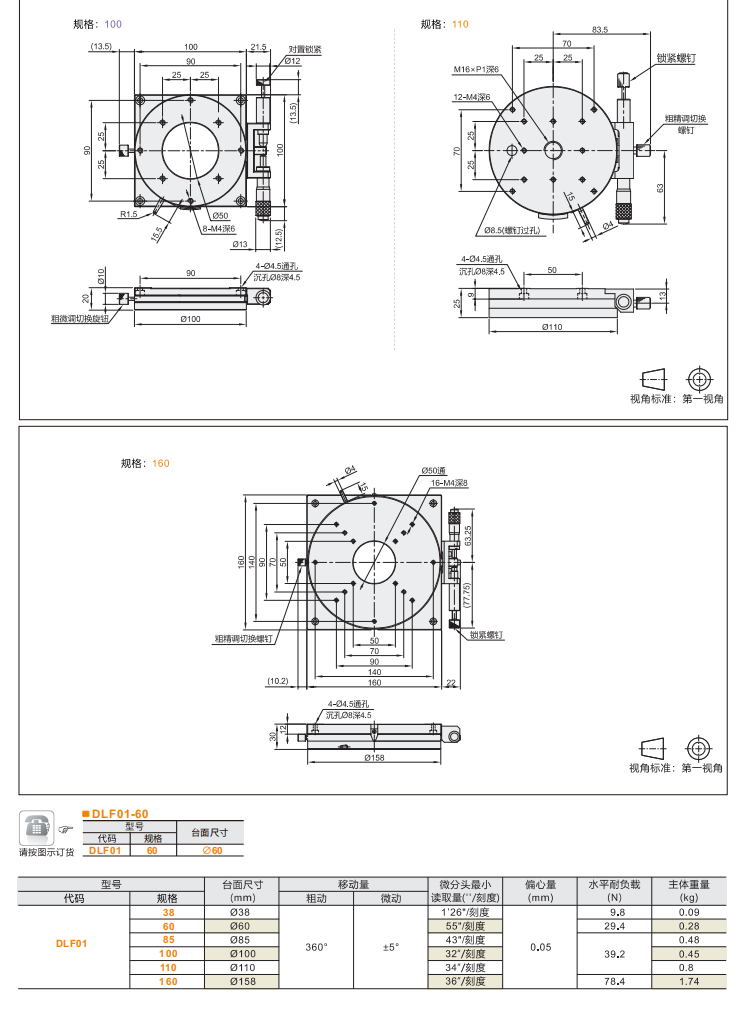
1、DLF01
·铜套导向结构:耐磨性强,运动顺滑,适合高频次使用。
·千分尺进给:精度达±0.01mm,实现微米级精细调整。
·通用性强:标配安装孔,兼容多种设备集成。


2、DLF11
·360°手动调节:支持多角度快速定位,操作灵活。
·轴孔配套设计:刚性高,适合轻量化负载的快速调整。
·经济实用:简化结构,降低成本,适用于教学或简易定位。

3、DLF21
·方型台面设计:扩大承载面积,稳定性更优,适合重型工件。
·千分尺+轴孔导向:兼顾高精度与高刚性,抗偏载能力强。
·防滑处理:台面经磨砂或螺纹加工,防止工件移位。


二、性能对比

三、核心作用
1.精密定位:千分尺型号(DLF01/DLF21)适用于光学元件对齐、模具加工等需微米级精度的场景。
2.快速调整:DLF11的360°调节功能适合频繁变更位置的实验装置或检测工装。
3.稳定性增强:DLF21方型台面设计可承载振动较大的设备,如小型机床工件台。
选型建议:优先DLF01/DLF21用于高精度需求,选择DLF11则侧重灵活性与成本控制。

