
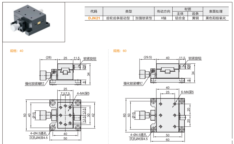
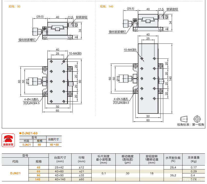
DJN21系列高精度手动位移滑台采用齿轮齿条驱动设计,专为需要精密线性定位的工业及科研场景打造。通过优化传动结构与刚性导轨系统,可实现毫米级微调与稳定负载支撑,兼顾操作便捷性与长期耐用性。

核心特点:
(1)高精度定位:精密齿轮齿条啮合配合低背隙设计,重复定位精度达±0.02mm,适用于光学调整、检测设备等高要求领域。
(2)刚性结构:硬质阳极氧化铝合金主体搭配强化钢制齿条,抗磨损且承载能力强(静态负载最高达50kg)。
(3)人性化操作:手轮搭配刻度环或选配数显装置,支持快速粗调与精细微调,部分型号集成锁紧机构防位移。
(4)模块化扩展:支持水平/垂直安装,多轴串联组合,满足复杂运动平台搭建需求。
典型应用:
激光对焦、自动化检测工装、实验室仪器定位、半导体设备调试等需手动精密控制的线性运动场景。可选行程/负载定制,提供防尘版本(DJN21-C系列)适应恶劣环境。



